CISSY
CIS - diagnostic using Synchrotron radiation
Methods
Remote access
not possible
| Station data | |
|---|---|
| Temperature range | 100-500K |
| Pressure range | For details contact the station manager. |
| Detector | CLAM 4 hemispherical electron analyzer, XES-300 x-ray spectrometer |
| Manipulators | PINK x,y,z, rotation, tilt, heating and cooling |
| Sample holder compatibility | For details contact the station manager. |
| Additional equipment | |
| Preparation | Wet chemistry in glove box, sputter-depositon of oxides and other compounds |
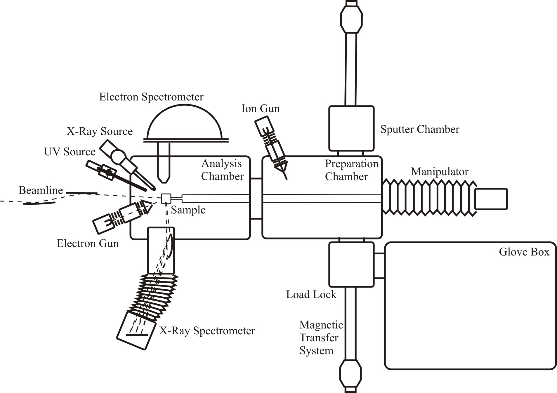
Preparation and surface and interface analysis of thin film solar cell components using laboratory sources and synchrotron radiation.
In the CISSY end station, some of the crucial steps of the preparation of thin film solar cells can be performed in-system, allowing the direct transfer from preparation to the analysis chamber, avoiding contamination. Industrial preparation methods like magnetron sputtering (for transparent window layers) or the ILGAR process, which was developed at the HZB, as well as various wet chemical deposition methods (for buffer layers between the absorbing solar cells based on materials and window layers) are available.
The analysis tools
Two spectrometers are used for analysis: A surface-sensitive photoelectron spectrometer (PES) (information depth of about 5 nm) and a much more bulk-sensitive x-ray emission spectrometer (XES) with a material-and energy dependent information depth of 60 to 500 nm. This allows the analysis of buried interfaces in layered systems, such as the buffer layer/absorber interface in chalcopyrite solar cells. Both methods allow detecting the presence and, to a certain degree, the concentration of elements in the sample based on their characteristic spectra. Furthermore, the chemical environment can also be determined, i.e. the oxidation state of the element in question and adjacent atomic binding partners may also be determined from the spectra. These highly sensitive instruments allow us to examine the processes involved in the manufacture of thin film solar cells and also to investigate possible degradation mechanisms. Using the directly connected preparation modules, it is possible to step-wise build and analyze layer systems without transporting the sample through air and contaminating it.